电池气密性检测技术研究
发布日期:2018-04-27 浏览次数:9804
摘要:介绍了锂离子电池气密性检测和检漏的重要性、泄漏原理和气密性检漏方法,对气密性检测技术在锂电池行业中的应用进行了分析,最后指出了在生产中确保检测效果需要注意的问题和关注的重点。
一、锂离子电池气密性检测方法介绍
各行各业中产品的泄漏问题危害巨大,在锂离子电池行业,产品密封不良会导致电池性能严重下降、电解液渗漏、电池鼓胀甚至爆炸等严重后果,致使产品信誉严重受损,当今社会越来越重视产品的安全性,因此,锂离子电池密封性的优劣至关重要。
市场上的锂离子电池根据壳体的不同,主要分为塑料壳体锂离子电池、金属壳体锂离子电池和铝塑膜软包装锂离子电池三种,前期锂离子电池行业多采用正压气泡检漏法,该种检测方法容易导致电池壳体发生难以恢复的形变,尤其对于金属壳体和铝塑膜软包装锂离子并不适用,再加上检测效率和准确率低下,因此尽快探寻一种合适的检漏方法迫在眉睫。
当前锂离子电池行业采用的检漏方式主要有以下几种:水检目视检漏、氦质谱检漏、直压检漏、流量检漏、差压检漏等。由于气体之间的作用力以排斥力为主,从泄漏机理上来讲,气密性检漏技术是完全可行的[1],市场上检漏设备总体分为三类:正压检漏仪、负压检漏仪和氦质谱检漏仪。氦质谱检漏仪精度最高,在密封性要求严格的产品应用甚广,但是对检测管路的密封性和工装夹具也要求极高,需要频繁维护,其高额的检测成本也让很多行业望而却步,因此,需要通过反复实践寻找一种经济可行的检测方式,并确保检测效果能完全满足生产需要。
二、气密性检测技术概述
想要获得最有效的检漏方法首先要了解泄漏产生的原因。泄漏是由产品自身存在漏孔导致的,分为物理漏孔和分子漏孔两大类,物理漏孔指裂纹或气泡,分子漏孔指由于分子间存在间隙所造成的泄漏,例如利用氦气对石英玻璃的微穿透作用可做成氦质谱检漏仪用的标准漏孔。根据漏孔的种类,泄漏可以分为以下两种:一种是由于工件壳体有贯穿的裂纹或微小的孔,流体在容器内外压力差的作用下,向外泄漏,此种泄漏是多数产品的主要泄漏源;一种是由于被测工件有较多不贯穿的裂纹和气泡,同时材料的存放气性能差,造成检漏时抽不到要求的低真空度或加压后压力下降过快、水检时无气泡等。锂离子电池内部电芯即可判定产品密封性能是否达标。

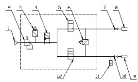
图1 气密检测仪结构示意图
其中,1为气源;2为减压阀;3为测试压力传感器;4为加压排气阀;5为平衡阀;6为差压传感器;7为球阀;8为基准物;9为被测物;10为球阀;11为容积校正器;12为平衡阀。
具体检测过程共分4个阶段:抽气阶段,平衡阶段,测试阶段和泄压阶段,如图2所示。
图2 测试过程图示
1、抽气阶段。阀门4、5、12同时打开,真空源接入,对被测物、基准物、气路抽真空,直至达到设定压力。
2、平衡阶段。阀门4关闭,切断真空源,阀门5和12保持打开状态。此阶段的时间设定至关重要,要保证该阶段结束时被测物和基准物内的压力是相等的。
3、测试阶段。阀门4、5、12同时关闭,达到设定时间后,计算机根据被测物和基准物的压差,自动判定结果。
4、泄压阶段。阀门4、5、12同时打开,被测物和基准物与大气相通,达到设定时间后即完成整个检测过程,将工件卸下即可。
三、负压气密检漏技术在锂电行业中的应用
目前,市场上锂电行业采用的检漏方式有很多种,其中负压气密检漏技术检测后被检产品壳体无形变、对检测气路密封性能要求低、维护简单、技术是由多达上百层的正负极片叠放在一起构成的,结构致密,因此检漏时第二种泄漏所产生的泄漏量也必须重视。检漏时,这两种泄漏所产生的泄漏量之和是否满足标准即为气密性检漏结果。
影响泄漏的因素很多,包括压力、温度、冲击振动、化学腐蚀和脏堵等等。其中,检测压力、漏率、内容积和节拍称为检漏四要素。检测压力是指被测物所承受的差力压。检测压力和泄漏量的关系用公式(1)表示:
(1)其中,Q表示漏率,单位ml/min;VW表示内容积,单位ml;ΔP表示检测压力,单位Pa;t表示检测时间,单位s。
其中温度对差压的影响较大,可用公式(2)[2]表示:
(2)其中,ΔPt表示差压,单位Pa;t表示室温,单位℃;Δt表示内温变化,单位℃;P表示检测压力,单位kPa。
根据经验,通常情况下温度T上升10℃,泄漏量增加3~5%,但是从公式可以看出,对于负压检漏方式,温度对差压的影响相对要小的多。
“压力衰减法”是现在世界上最先进的测漏仪普遍采用的测试方法,以差压传感器为感应元件检测被测物和基准物之间压力差来确定被测物是否存在泄漏和漏率大小的仪器或装置叫差压式气密检漏仪。按测试压力分为正压检漏设备和负压检漏设备,负压检漏又包括三种测试方式,即收集式、压降式和差压式,其中差压式应用最广、精度最高。
负压差压式气密性检漏仪主要由计算机测量显示系统、压力传感器、平衡阀、球阀、真空源、对比容器、通讯接口和气路模块等主要部件组成。下图1为结构示意图。检测时必须选择密封性好且测漏时无形变发生的物体作为基准物,通过外接压缩机或真空泵向被测物和基准物同时冲正压或抽负压,达到设定压强后[3]关断气源的气路阀门,被测物和基准物气压差会随着时间发生变化,保持一段时间后检测气压下降值成熟、精度高,是锂电行业的最佳选择。
生产实践发现,负压气密检漏仪在使用中需要从气路密封性能稳定性、真空源稳定性、配套夹具易操作性、检测仪检测参数的设定等方面进行重点考虑。
检测过程中,密封嘴和各气路接口处的密封状况[4]会对检测结果产生极大影响,如果检测设备自身密封效果就很差,检漏结果将毫无参考意义,同时配套工装的加工精度也会影响到检漏系统的气密性好坏,检漏仪要求有专用的配套检漏工装。实验发现,气源不稳定会导致数据重复性较差,不同压强下漏孔形变不同,检测出的被测品泄漏量也不同,建议在气源输出端增加稳压阀,在检测设备气路入口端增加储气罐;此外,检测仪参数设置对于检测结果影响巨大,各阶段时间参数不同,泄漏量、检测结果的可靠性、检测效率等都会相应改变,设置时需要综合考虑各类因素,进行大量实验进行参数优化,以达到最佳检测效果。在气密性检测中,泄漏判定标准是经验值,将直接影响检测结果的可靠性,在实际生产中需要积累大量数据以确定最优判定标准。
生产实践证明采用真空差压式气密检漏仪代替锂电池行业常用的水检目视判定的方法,电池壳体不会产生形变,表面不会锈蚀,且能提高生产效率,检测准确率高,应用方便,真空差压式气密检漏仪在锂电池行业具有很高的使用价值。
电池壳体的密封性直接决定了电池的安全性能,密封不良的电池会发生电解液渗漏和电池性能下降等问题,在潮湿环境下使用的电池如果密封不良,外界潮湿气体容易进入电池内部,造成极片水分超标进而引发壳体鼓胀,严重时甚至发生爆炸。当前可供选择的检漏方式多种多样,使用前一定要充分进行理论分析和生产验证,综合考虑产品的外观、材质和结构特性,确保选择一种完全满足生产需要且经济可行的检漏方法。
推荐仪器型号:V810型 负压检漏仪 www.hfyzat.cn
参考文献:
作者:康婷婷 中航锂电洛阳有限公司
1 杨晋.分子间斥力与引力的差别研究[J].物理教学探讨,2005,23(254):49.
2 王庚林,王莉研,董立军.漏率公式与判据和内部气体含量的分析研究(一)[J].电子与封装,2007,7(9):35-37.
3 封玉,韩建华.一种新型潜水电泵密封检漏系统[J].排灌机械,2007,25(6):11-12.
陶务纯,王胜,郭波.真空检漏方法与应用[J].设备管理与维修,2008,5:







